Document Description

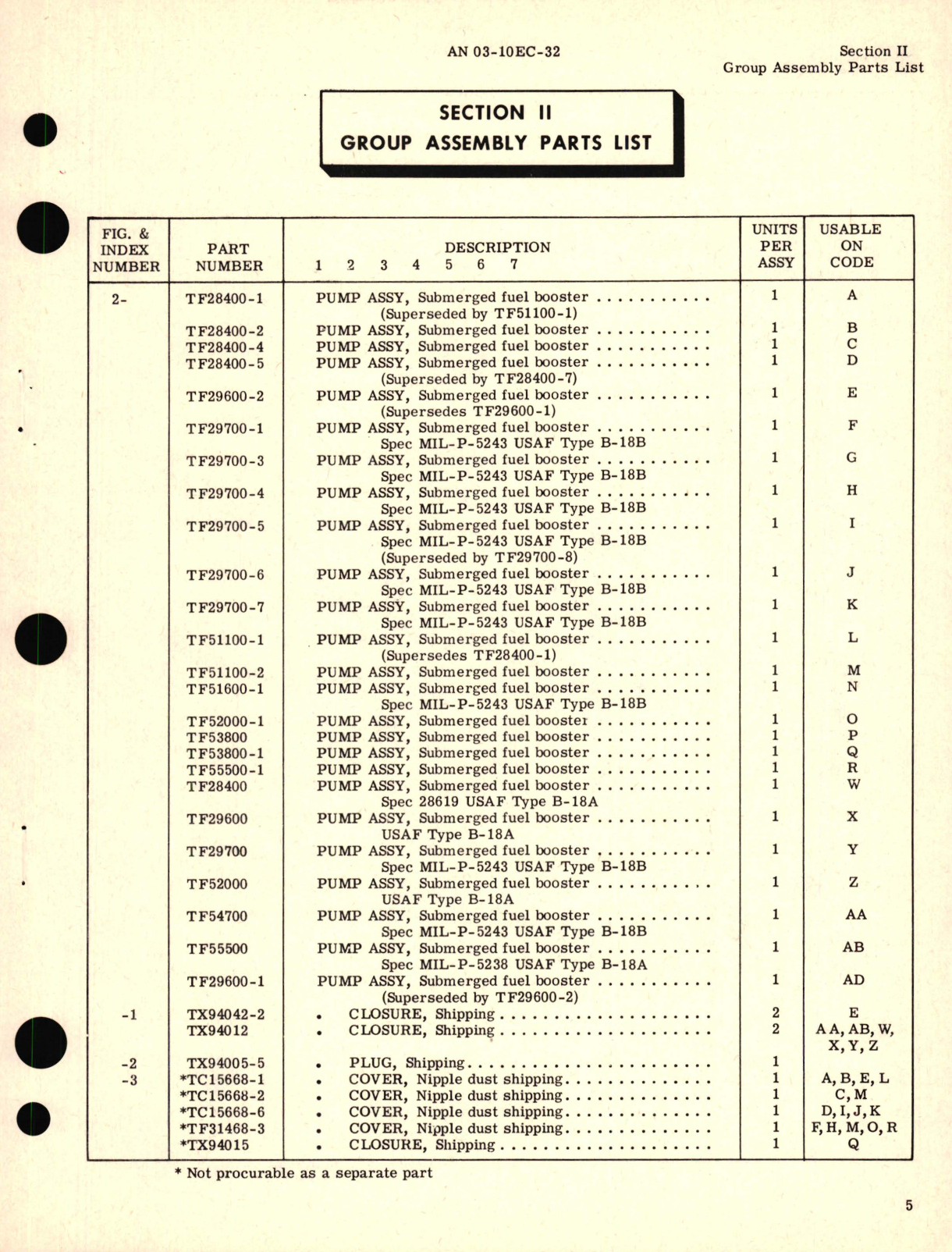
Illustrated Parts Breakdown for Submerged Fuel Booster Pump Models TF28400, TF29600, TF29700, TF51100, TF51600, TF52000, TF53800, TF54700, TF55500 , AN 03-10EC-32, 1-Oct-1958

Document Part Number

AN 03-10EC-32

Document Revision Date

1-Oct-1958

Already a Member?

Sign in to read this full document


Become a member

To access this and thousands of other manuals, plus over 400,000 warbird engineering drawings!

JOIN NOW


Don't want to join?

No problem - Click below to purchase a digital download of this manual from our storefront!

PURCHASE NOW

Sample Page: 1 of 3