Document Description

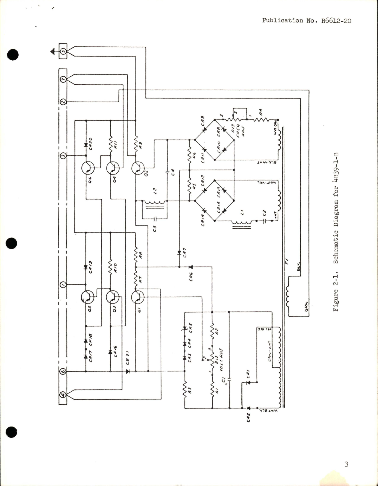
Overhaul Instructions with Parts List for Voltage & Frequency Regulator - Types 4B39-1-B, 4B39-1-C, Publication No. R6612-20, Jan-1967

Document Part Number

Publication No. R6612-20

Document Revision Date

Jan-1967

Already a Member?

Sign in to read this full document


Become a member

To access this and thousands of other manuals, plus over 400,000 warbird engineering drawings!

JOIN NOW


Don't want to join?

No problem - Click below to purchase a digital download of this manual from our storefront!

PURCHASE NOW

Sample Page: 1 of 5