Document Description

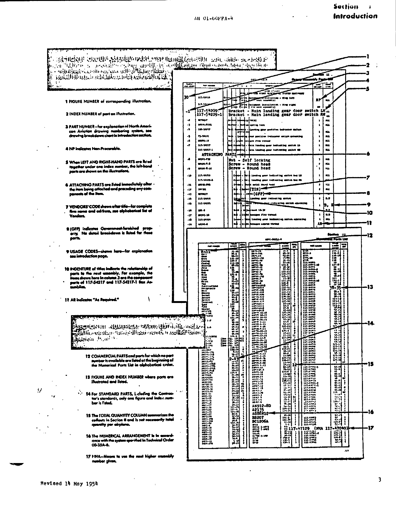
Parts Catalog for T-6G and LT-6G, AN 01-60FFA-4, June-1962

Document Part Number

AN 01-60FFA-4

Document Revision Date

June-1962

Already a Member?

Sign in to read this full document


Become a member

To access this and thousands of other manuals, plus over 400,000 warbird engineering drawings!

JOIN NOW


Don't want to join?

No problem - Click below to purchase a digital download of this manual from our storefront!

PURCHASE NOW

Sample Page: 1 of 5