Document Description

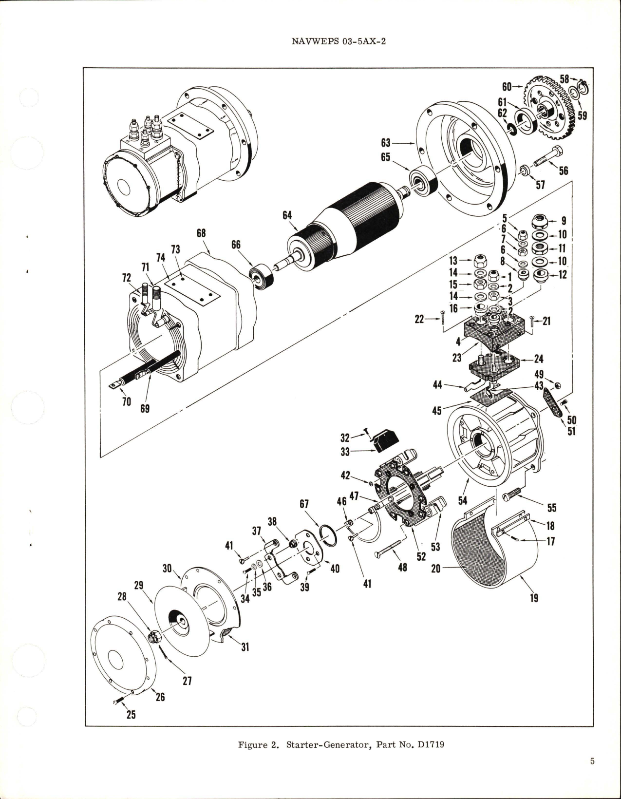
Overhaul Instructions with Parts Breakdown for Starter Generator - Part D1719, NAVWEPS 03-5AX-2, 1-Mar-1966

Document Part Number

NAVWEPS 03-5AX-2

Document Revision Date

1-Mar-1966

Already a Member?

Sign in to read this full document


Become a member

To access this and thousands of other manuals, plus over 400,000 warbird engineering drawings!

JOIN NOW


Don't want to join?

No problem - Click below to purchase a digital download of this manual from our storefront!

PURCHASE NOW

Sample Page: 1 of 2