Document Description

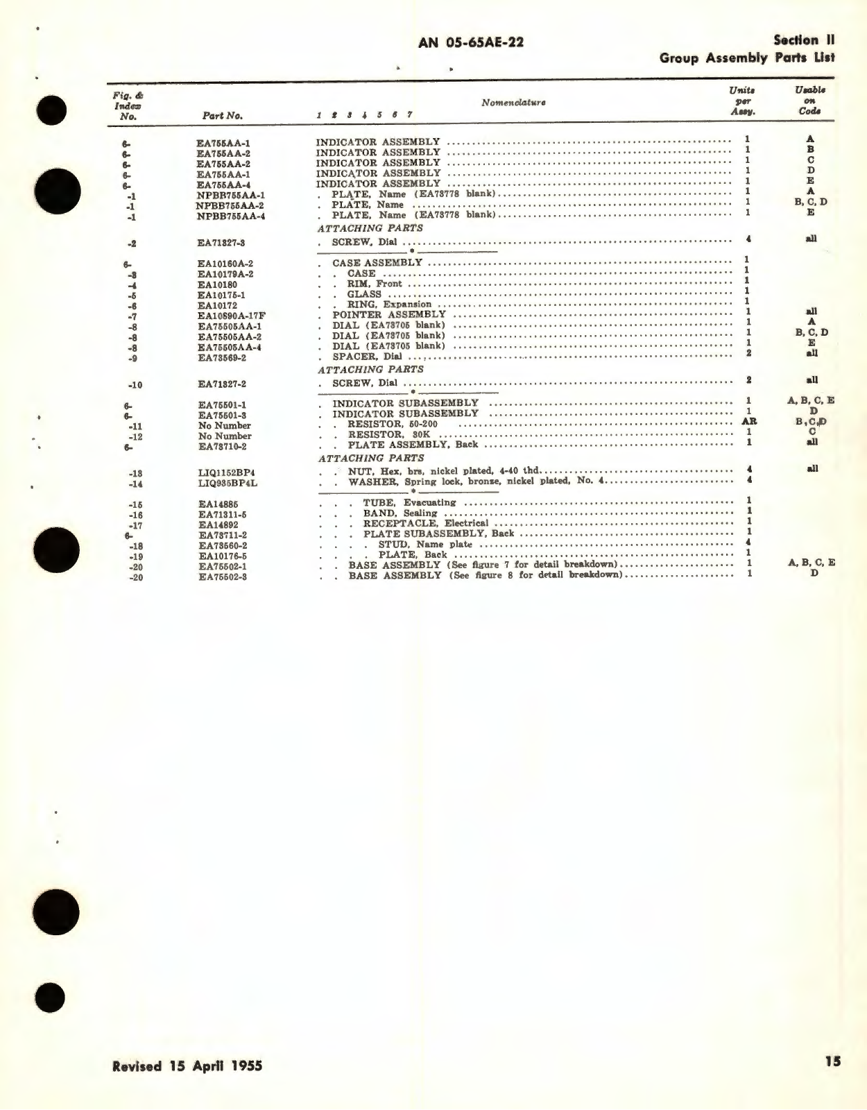
Illustrated Parts Breakdown for Capacitor Fuel Quantity Gage Indicator, Part No. EA737AA, EA737BB, EA755AA, AN 05-65AE-22, 5L6-3-11-4, 15-Apr-1955

Document Part Number

AN 05-65AE-22, 5L6-3-11-4

Document Revision Date

15-Apr-1955

Already a Member?

Sign in to read this full document


Become a member

To access this and thousands of other manuals, plus over 400,000 warbird engineering drawings!

JOIN NOW


Don't want to join?

No problem - Click below to purchase a digital download of this manual from our storefront!

PURCHASE NOW

Sample Page: 1 of 3