Document Description

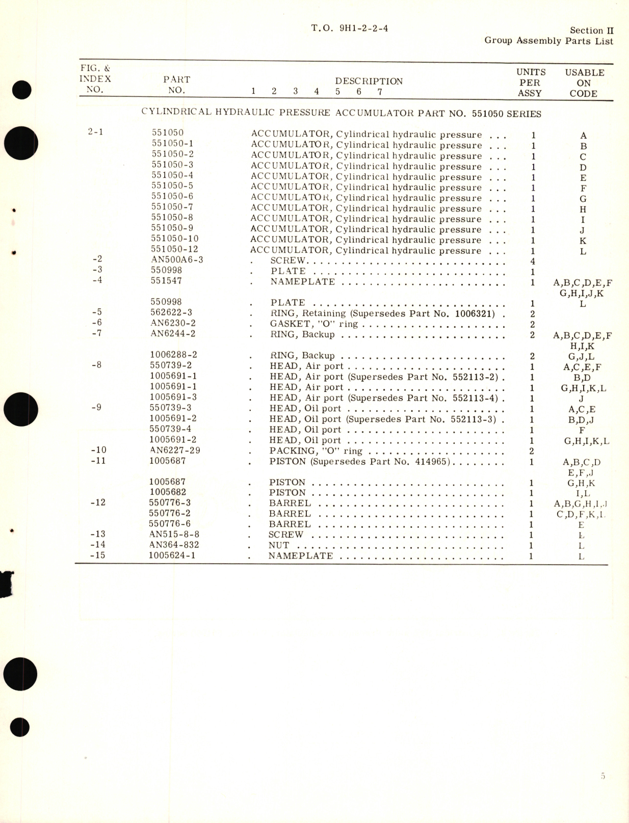
Illustrated Parts Breakdown for Cylindrical Hydraulic Pressure Accumulators Part No. 1008700 Series, 409202, 548025, 548650, 549460, 551025, 551050, 551200, 551470, 552200, 552430 Series, T.O. No. 9H1-2-2-4, Formerly 03-30CE-52, AN 03-30CE-52, 15-Sept-1955

Document Part Number

T.O. No. 9H1-2-2-4, Formerly 03-30CE-52, AN 03-30CE-52

Document Revision Date

15-Sept-1955

Already a Member?

Sign in to read this full document


Become a member

To access this and thousands of other manuals, plus over 400,000 warbird engineering drawings!

JOIN NOW


Don't want to join?

No problem - Click below to purchase a digital download of this manual from our storefront!

PURCHASE NOW

Sample Page: 1 of 4